一、工作原理及產品特點
金屬管浮子流量計是根據可變面積測量原理,采用雙看門狗加工業級抗干擾能力的 CPU 及附加電路設計生產的流量儀表。 適用于液體、氣體介質的流量測量;具備現場指示和電遠傳功能。在此基礎上,應用單片機技術,使 其功能智能化,不僅具有標準兩線制 4 ~2 0 m A D C 的信號輸出,同時具備現場流量累積、數字通訊、控 制報警、現場修改測量參數、不同供電方式等多種功能。
金屬管浮子流量計以其結構合理、堅固耐用、壓力損失小、測量范圍寬、使用維護方便等 優點 ,廣泛 應用 在石 油 、化工 、冶金 、制藥 、釀造 、環保 、發電 等領 域中 的 流量 控制 與 測量 系統 。

二、技術參數
■測量范圍:水(20℃) 1.6~200000L/h 空氣(20℃、0.1013MPa) 0.05~5000m3/h
■量 程 比:1 0 :1 2 0 :1
■精 度:1.5 級 1.0 級
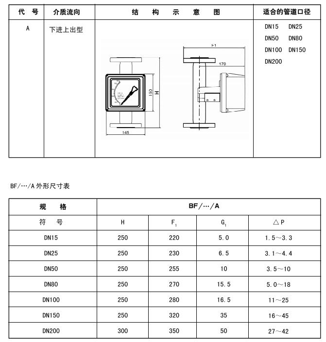
■壓力損失:1.5KPa~38KPa(見流量表)
■壓力等級:DN15~DN50 標準型 PN4.0MPa 特殊型 PN25MPa DN80~DN200 標準型 PN1.6MPa 特殊型 PN16MPa
■介質溫度:-80℃~+200℃標準型 0℃~+85℃防腐型 ≤ +400℃高溫型
■介質粘度:DN15 η< 5mPa·S 浮子號 15BF-1、15BF-2、15BF-3
η< 30mPa·S 浮子號 15BF-4、15BF-5、15BF-6、15BF-7、15BF-8
DN25 η< 250mPa·S DN50 η< 250mPa·S DN80 η< 280mPa·S DN100 η< 300mPa·S DN150 η< 380mPa·S DN200 η< 380mPa·S
■環境溫度:- 4 0 ℃~+ 1 2 0 ℃(電信號輸出≤ 7 5 ℃)
■法蘭標準:GB9119 -2019 PN1.6MPa
如果用戶要求實現其它標準的法蘭連接,本公司可按用戶提供的法蘭標準制造。
■電氣接口:M 2 0 × 1 . 5
■防護等級:I P 6 5
■儲 存:-20℃~+60℃
■溫 度:< 90%RH
■防爆等級:ia Ⅱ CT5 d ⅡBT5
■輸 出:4~20mADC(兩線制) HART 協議
■供電電源:2 4 V D C

三、產品結構與分類
金屬管浮子流量計由測量器和指示器兩部分組成。為適合不同的介質流向,測量器分為 5 種 形式。為適合不同的用戶要求,指示器分為 1 0 種形式


上一篇: BTR型差壓式流量計
下一篇: 沒有了!